主要特点:
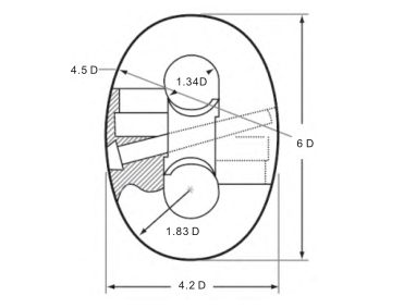
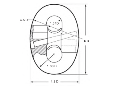
类型:肯特卸扣
材质:钢,碳钢
尺寸:定制
产地:中国山东(大陆)
应用:小船或海洋用途
品牌名称:XCS
型号:肯特卸扣
类型:所有类型
名称:海洋卸扣
表面处理:自彩色HDG,EG
采样时间:3天
包装:一般包装或根据需要

如果您对产品有任何疑问或需求,请填写以下表格,我们将尽快与您联系。