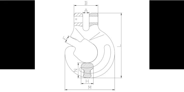
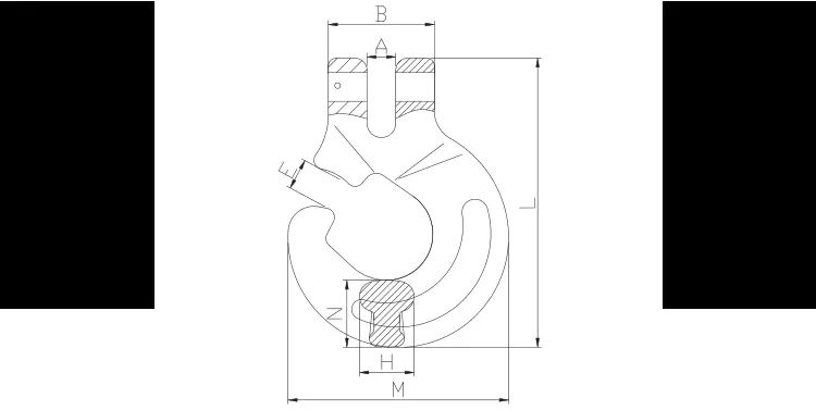
主要特点:
应用:重工业,采矿,水处理,食品和饮料,汽车工业,五金,绑扎
产地:中国山东
材质:合金钢
品牌名称:XCS
颜色:红色RAL3020,黄色RAL1003,根据要求
款式:Clevis森林挂钩,Clevis挂钩,挂钩
大小:6-8,7 / 8-8,10-8,13-8
样品:可提供
业务类型:制造商和出口商

